我们需要买核辐射检测仪吗?
8月24日上午,日本政府不顾国内外反对,执意启动核污染水排海计划。尽管日本排放的污水最早也会在200多天后漫延到我国临海,但恐慌情绪却提前一步扩散。
日本排放核污水消息传出后,包括韩国与中国在内的许多国家或地区再次出现“盲目抢盐”的情况。于此同时,更多人开始关注核辐射检测仪等相关检测产品。据央视财经8月26日报道,日本启动核污染水排海导致核辐射检测仪在线上平台销售火爆,“核辐射检测仪”词条中的数据显示,该产品“本周增速”232%,很多商家都已经没有现货。
很多专家表示,日本排放核污水,既要关注,但也无需惊慌。也有人认为我们必须要抢购必要物资来保证自己和家人的安全。核辐射检测仪要用到哪些技术?市面上兜售的检测仪是噱头还是真的有效?是否有购买的必要?与非网谣言粉碎机来揭秘。
辐射检测仪的工作原理
辐射,在物理学上指的是能量以波或者次原子粒子移动的形态,在真空或介质中传送。一般可依据其能量高低与电离能力将其分为电离辐射与非电离辐射,我们认知中的能对人体造成伤害,具有高致癌性的辐射都是电离辐射。电离辐射又可通过粒子分为α粒子、β粒子、种子、X射线以及伽马射线等。辐射检测仪的主要作用就是检测被测物体中这些粒子波的“含量”。
我们其实在中学阶段就学习过探测辐射的本领,那就是盖革米勒计数管(Geiger-Müller counter),通常用于探测α粒子与β粒子。随着多年来制造技术的进展,目前盖革米勒计数管已经可以较为精确地测量γ(伽马)射线。
盖革米勒计数管的探测器通常结构是在一根两端用绝缘物质密闭的金属管内充入稀薄气体(掺加了惰性气体,如He、Ne、Ar等),在沿管的轴线上安装有一根金属丝电极,并在金属管壁和金属丝电极之间加上略低于管内气体击穿电压的电压。这样在通常状态下,管内气体不放电;而当有高速粒子射入管内时,粒子的能量使管内气体电离导电,在丝极与管壁之间产生迅速的气体放电现象,从而输出一个脉冲电流信号。

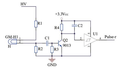
一类盖革米勒计数管信号处理电路,图源:核技术
因此,我们可以统计单位时间内电极的放电次数,就能推算出当前环境中的辐射剂量。根据公开专利显示,一款核辐射检测仪通常由盖革米勒计数管、信号放大电路、单片机(MCU)电路、液晶显示电路、报警电路、直流高压发生电路、电源电路组成。盖革米勒计数管阳极端连接直流高压发生电路,阴极端依次连接信号放大电路、单片机电路、液晶显示电路,单片机(MCU)电路还同时连接了报警电路,电源电路输出分别连接到了上述电路的工作电压输入端。

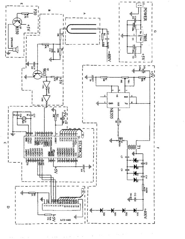
一款核辐射检测器内部电路图,图源:专利CN102436008A
如上图所示,盖革米勒计数管A阳极端连接了直流高压发生电路F的直流高压400V输出,阴极端依次连接信号放大电路B、单片机电路C、液晶显示电路D;其中单片机电路C同时连接了报警电路E;电源电路G的+5V电压输出分别连接到了上述电路的工作电压输入端。当然,这仅是该款专利所呈现的电路方案,具体到某款产品上还会有所不同。
简单来说,当盖革米勒计数管捕捉到射线后,会发出电磁脉冲,脉冲通过放大器后输入MCU进行计数,接着MCU会依据计数驱使报警电路发出或急促或缓和的“哒哒哒”蜂鸣声来提示使用者此处的辐射强度。
用什么芯片,什么传感器?
本次日本排放的核污水与核电厂常见的核废水有本质区别。核污水指代被核燃料污染的水,就比如这次直接灌入堆芯的海水。这些水与燃料棒直接接触,其中含有大量的放射性物质,除了氚与C-14外,还有例如铀、钚、铯、锶、碘、钴等重金属放射性物质。更重要的是,使用者是无法预估测试环境的真实辐射量大小。因此,核辐射检测仪的芯片与传感器往往面对的环境要更加复杂且“凶险”。用什么芯片与传感器才能保证仪器正常运行?怎么提高检测精度呢?
传统的便携式辐射测量仪一般为单台专用设备,检测人员需要依据被测对象的放射性来源来选择合适的前端探测器与后端处理电路。目前随着核科学的不断发展,核辐射检测仪也在向着小型化、高灵敏度、高效率、大量程以及高可靠性的方面发展。
首先是探测器。为了应对不同种类的辐射的识别,辐射检测仪上往往要搭载不同的传感器。常用的核辐射探测传感器根据工作介质以及发生的效应,通常可分为气体探测器、闪烁探测器和半导体探测器等。

网商平台产品拆解图(盖革管),图源:1688
气体探测器通过收集射线在气体中产生的电离电荷来测量核辐射,最早的盖革米勒计数器就属于这一种类;半导体探测器则可以统计辐射在半导体中产生的载流子数量计算辐射大小,其原理与相机中的CMOS传感器类似,其中高纯锗探测器有较高的能量分辨率,对γ辐射探测效率高,此外砷化镓、碲化镉、碘化汞等材料也有应用;闪烁探测器则利用带电粒子打在闪烁体上,使原子(分子)电离、激发,在退激过程中发光,经过光电器件(如光电倍增管)将光信号变成可测的电信号来测量核辐射。
半导体探测器具有分辨率的优势,广泛应用于核素识别;闪烁探测器具有良好的η-γ射线甄别能力;盖革米勒计数器等气体探测器在高辐射场下具有测量优势。
就整体电路来说,辐射检测仪的处理器并不需要很高的算力,因此低功耗、高稳定性的MCU是最优选。根据博主@锦匠制作 拆解的具有较高分辨率图像显示功能的辐射探测仪来看,最高仅需要1GHz主频的单核CPU骁龙MSM8255。部分功能简单、探测功能单一的检测器可能仅需具有计数功能的几MHz级别MCU。
尽管无需高性能,但核辐射传感器所使用的芯片并不简单。电离辐射的能量极高,它会持续损伤芯片,降低其性能,最终导致设备无法正常工作。此外,高能粒子还会导致晶体管中储存的数值发生位偏转,足够数量的偏转可能会使芯片发生“闩锁”错误。因此辐射仪中的芯片需要具备足够强的抗辐射能力。
抗辐射芯片具有物理与逻辑两种方式。物理层面可以采用碳化硅或氮化镓等对辐射抵抗较强的宽带隙半导体材料,或者硅的处理层可置于绝缘层或衬底上。逻辑上可使用双极集成电路代替传统的CMOS,动态随机存取存储器(DRAM)代替静态随机存取存储器(SRAM)等。在封装层面,可以使用陶瓷封装、金属封装或加装金属外壳等特殊工艺对芯片进行保护。
需要买核辐射检测仪吗?
其实单论后端电路与芯片,核辐射检测仪的整体机构并不复杂,很多电子爱好者在具备相关元器件后或许都能“手搓”一个出来。从另一角度来说,核辐射检测仪的检测关键还是在于前端传感器的感应精度。
在日本放出要排放核污水的消息后,核辐射检测仪早已被买空,诸多分销平台上的热门型号的盖革计数器都已经供不应求。

网商平台的店家留言,图源:1688截图
不过从分销商的留言中,记者找到了他们对于本次抢购事件的看法。某商家在留言中提到:“市面上300元以下的机器,要么没有使用盖革管,要么用的小盖革管,灵敏度不够。”“使用机器(辐射检测仪)需要对准辐射源,但混合在自然界中的辐射位置不固定,还有可能有大量遮挡。……如果非要检测,3000元以上的产品才可能检测得到。”
事实上,从传感器的参数中,我们也能找到答案。目前民用的核辐射检测仪,大部分都会在0.5uSv/h时报警,很多天然的大理石建材都能达到这个辐射值。如果日本方面的核污水排放真的能够符合国际原子能机构的标准,其排放辐射量早已低于民用检测仪的最低响应值。如果真的想让手里的辐射检测仪在本次事件中有用武之地,恐怕还要跑到福岛当地去测量了(你不会真这么做吧?)。
最近的央视报道中,华南理工大学环境与能源学院教授张永清表示:“普通百姓购买放射性检测仪必要性不强。因为放射性测量过程中,只有一个仪器还是不够的,还要有相应适合的方法,不同的核素有不同的方法来进行测量,而且不同的样品有不同的前处理方法。如果说一般普通老百姓只是买一个仪器来测,他们还不具备专业的方法。”
正如外交部新闻发言人汪文斌表示:“两年多来,福岛核污染水排海计划的正当性、合法性、安全性一直受到国际社会质疑,日方迄今未解决国际社会关于核污染水净化装置长期可靠性、核污染水数据真实和准确性、排海监测安排的有效性等重大关切。”
我们无法确认日方提供的数据是否是真实可靠的,毕竟日本政府早有伪造数据先例。因此,我们认为:我们能够买到的核辐射检测仪并不能检测出海水是否已被核素污染,无论是抢购食盐还是核辐射检测仪都是没有必要的。对水域的专业的检测请交由国家或有关机构处理,我们只需关切,无需恐慌或担忧。
本文来自微信公众号:与非网eefocus(ID:ee-focus),作者:刘浩然
相关推荐
我们需要买核辐射检测仪吗?
谁在炒作核辐射检测仪?
我,卖核辐射检测仪,5个月的库存1天抢光
“月售1万多台”!核辐射检测仪也被抢购?专家说→
突然爆火,卖到“爆单”!食盐之后,它也被抢购?专家说
了解食品安全检测仪的核心技术
核辐射导致的基因变异,会不会遗传给下一代?
一滴汗测出你是否压力山大,得州大学联合研发高敏度贴片式皮质醇检测仪
2月10日返工潮即将到来,北京开始部署“快速AI体温检测仪”
囤加碘盐,防不了核辐射
网址: 我们需要买核辐射检测仪吗? http://www.xishuta.cn/newsview88842.html
推荐科技快讯
- 1问界商标转让释放信号:赛力斯 95792
- 2报告:抖音海外版下载量突破1 25736
- 3人类唯一的出路:变成人工智能 25175
- 4人类唯一的出路: 变成人工智 24611
- 5移动办公如何高效?谷歌研究了 24309
- 6华为 nova14深度评测: 13155
- 7滴滴出行被投诉价格操纵,网约 11888
- 82023年起,银行存取款迎来 10774
- 9五一来了,大数据杀熟又想来, 9794
- 10手机中存在一个监听开关,你关 9519
