PLC(可编程控制器)的接地方法
在进行PLC接地时,应遵循相关的安全标准和建筑规范。此外,定期检查和维护PLC设备的接地系统也非常重要,以确保设备的稳定性和安全性。

一、PLC接地的一般要求
1.将PLC设备的金属外壳通过导线与建筑物的接地系统连接。这样可以确保PLC设备的外壳和建筑物的接地电位保持一致,减少外界干扰对设备的影响。
2.在PLC设备的电源和输入/输出模块上,通常会有专门的接地螺丝孔。通过将接地线连接到这些螺丝孔上,可以将设备的电源和输入/输出模块与接地电位相连,进一步提供电气稳定性和安全性。
3.在PLC系统中,还应将屏蔽电缆的屏蔽层连接到PLC设备的接地点。这样可以有效地屏蔽外界干扰,并提供稳定的信号传输。

二、PLC接地的方法
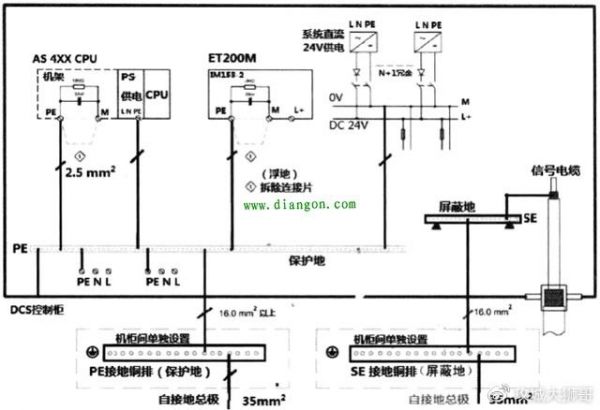
1、串联式单点接地
PLC的接地属于低压电器设备的单点接地方式。低压电器设备的单点接地方式可分为:串联式单点接地、并联式单点接地、多分支单点接地。
将多个低压电气设备的接地端子在设备的就近处与同一根接地线连接上,然后通过这根接地线与接地装置连接。这种接地方式的好处在于:节省人力、物力;而坏处在于:当公用的接地线出现断路时,如果接地系统中有一台设备漏电,就会引起其它设备的外壳上均出现电压,对人员安全造成威胁。
2、并联式单点接地
接地端子都引出一根接地线,然后将这若干条线同时接到接地装置上这种接地方式的好处在于:当接地系统中的其中一台设备接地线出现断路时,不会造成其它设备外壳出现电压,对保障人身安全有好处。而这种接地方式的不完美之处在于:如果是电子设备或其它对高频干扰高度敏感的电气设备,来自于其它设备的高频干扰(例如变频器、中频炉等晶闸管变流器件)将会从共地点串入,造成设备工作不正常。
3、多分支单点接地
将每个设备的接地端子单独接到接地装置上。接地方法和第2种接地的区别在于:设备具有单独的接地体(或者变通一下:直接接到离接地体最近的接地装置上(或者接地源处),每个设备在电气接地回路上的距离是比较远的(例如超过50米))。这有效的避免了设备之间的相互电磁干扰。但这种接地方式费时、费力而且单独接地源不一定好取。
在平常施工中,实际上PLC的接地方式一般采用第2种接地方式,至于电磁干扰方面:如果柜内有多个大功率的变频器,可以在PLC电源的前端加装一个单相电源滤波器就可以了。

三、PLC接地的特殊情况处理
一般设计时在变频器附近的PLC前端都加装了电源滤波器。这样处理以后,和防雷方面也就没有什么冲突了。那直流和交流的接地问题怎么处理是分开好些还是接在同一点,在有数字地和模拟地是否可以是同一点,记得再学校时老师好象说要分开的。
对于受干扰影响不大的直流和交流设备,可以接在一起——即使直流和交流电路因为某种原因连通了,因为他们不是同一个回路(接地可不是回路中的一部分),也不会造成设备损坏。曾有人将AC220V的电源与DC24V回路连上了,但设备工作仍然正常。
数字地和模拟地建议分开(除非你的低压电气设备电源电压只有几十伏),因为数字电路属于正负5V、12V、24V级别的,很容易受干扰,而且一旦外部异常电压一旦串入将很大可能性的造成设备损坏。
发布于:上海
相关推荐
PLC(可编程控制器)的接地方法
PLC闪存2025年到来,它的短板其实真不是寿命
苹果高通英特尔,是怎么控制供应链的?
智能防雷产品,DK一CJ/R 接地电阻在线监测仪
早期项目 |「矩控新辰」完成数千万元天使轮融资,专注智能边缘工业控制系统
中国工业的互联网转型战
珠三角不缺工业机器人,但缺“人”
基站防雷,5G通信基站,计算机防雷解决方案
冯仑:“模糊地带”的方法
解梦的8个小方法
网址: PLC(可编程控制器)的接地方法 http://www.xishuta.cn/newsview80902.html
推荐科技快讯
- 1问界商标转让释放信号:赛力斯 95792
- 2报告:抖音海外版下载量突破1 25736
- 3人类唯一的出路:变成人工智能 25175
- 4人类唯一的出路: 变成人工智 24611
- 5移动办公如何高效?谷歌研究了 24309
- 6华为 nova14深度评测: 13155
- 7滴滴出行被投诉价格操纵,网约 11888
- 82023年起,银行存取款迎来 10774
- 9五一来了,大数据杀熟又想来, 9794
- 10手机中存在一个监听开关,你关 9519
