华为自拍专利曝光:通过张开或握拳手势,调整取景视角
来源: 时间:2023年12月09日 09:03
IT之家 12 月 9 日消息,根据国家知识产权局昨日授权公告,华为公司获得了一项新的拍照相关技术专利,自拍时可以通过张开和握拳手势,调整取景框视角。

IT之家附上该专利摘要部分如下:
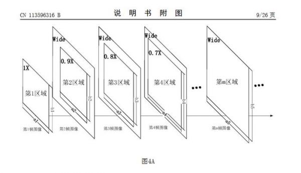
本申请实施例提供了一种拍照方法,电子设备可以通过前置摄像头识别用户的手势。
在识别到特定手势后,在预览框中先后显示一系列图像,这一系列图像所呈现的预览视角的大小是渐变的。
例如,当前置摄像头识别到张开手掌向前推的手势时,电子设备先后显示在预览框中的一系列图像所呈现的预览视角是逐渐变大的,可以让更多景物呈现在预览框中。
这样,可支持用户兼顾调整预览视角和取景,操作便利,拍摄过程更加高效。
根据专利描述,这种自拍手势适用于拍照和视频,在检测到张开手掌向前推之后,可以放大取景视角;在检测到握拳手势之后,可以缩小取景视角,从而更加灵活地应对拍摄场景。







发布于:山东
相关推荐
华为专利可用方向盘进行手势交互华为方向盘手势控制专利公布
华为新专利可用手势远程控制设备 华为手势远程控制设备专利公布
最前线 | 华为手机专利曝光:双翻转摄像头实现“真·全面屏”
AR沉浸式视角+手势交互,「Realmax」还要建立AR内容生态
苹果 AR 投影仪新专利:可应用于 Mac,支持语音、手势隔空交互
最前线 |苹果折叠屏专利曝光:或解决可折叠屏折痕问题
让手表更像手表:Apple Watch手势识别能单手操作了
科氪 | 4400万像素双摄自拍旗舰,vivo S7正式发布
打开这个功能以后,我用一只手就能「玩转」Apple Watch
Pixel 5或取消Motion Sense,手势操控是个伪命题?
网址: 华为自拍专利曝光:通过张开或握拳手势,调整取景视角 http://www.xishuta.cn/newsview100901.html
推荐科技快讯
- 1问界商标转让释放信号:赛力斯 95792
- 2报告:抖音海外版下载量突破1 25736
- 3人类唯一的出路:变成人工智能 25175
- 4人类唯一的出路: 变成人工智 24611
- 5移动办公如何高效?谷歌研究了 24309
- 6华为 nova14深度评测: 13155
- 7滴滴出行被投诉价格操纵,网约 11888
- 82023年起,银行存取款迎来 10774
- 9五一来了,大数据杀熟又想来, 9794
- 10手机中存在一个监听开关,你关 9519
科技快讯热点排名
科技快讯热点
